Bemaßungen, Achsen und Schraffuren werden nach Änderungen im 3D automatisch aktualisiert. Verknüpfungen zwischen den 2D-Objekten und den entsprechenden 3D-Objekten werden beim Export einer 3D-Ansicht nach 2D erzeugt. VariCAD enthält zahlreiche Module zum Überprüfen von aktualisierbaren 2D-Objekten.
Horizontale, vertikale oder schräge Bemaßungen werden aktualisiert, wenn sich die 2D-Objekte beider bemaßten Punkte innerhalb einer 3D-Ansicht befinden. Wird eine aktualisierbare Position erkannt, wird dies in einer Kurzinfo am Mauszeiger angezeigt. Der Koordinatenanzeige am Mauszeiger wird UPG+ vorangestellt. Wenn ein Bemaßungspunkt nicht auf einem 2D-Objekt einer aus dem 3D exportierten Ansicht liegt, ist die neu erstellte Bemaßung nicht aktualisierbar.
In ähnlicher Weise sind auch Winkel-Bemaßungen aktualisierbar, wenn beide Linien in der selben, nach 2D exportieren 3D-Ansicht liegen. Die Aktualisierbarkeit der entsprechenden Bemaßungen, wird auch hier mit dem UPG+ am Mauszeiger angezeigt.
Radius und Durchmesserbemaßung sind aktualisierbar, wenn der bemaßte Kreis oder Bogen aus einer nach 2D exportierten 3D-Ansicht stammen. Bearbeitungssymbole sich aktualisierbar, wenn sie auf einem Bogen oder einer Linie, einer nach 2D exportierten 3D-Ansicht liegen. Auch hier wird die Eigenschaft zur Aktualisierung mit UPG+ am Mauszeiger angezeigt.
Ist der bemaßte Punkt der Endpunkt einer Achse (Mittellinie), ist die Bemaßung auch aktualisierbar, wenn die Achsen aktualisierbar sind.
Folgende Abbildungen zeigen Beispiele für die Erzeugung aktualisierbarer Bemaßungen.

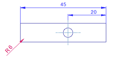
Die Ansicht dieses Solids wird erzeugt und bemaßt.

Erstellung der Achsen. Der Kreis wird gewählt und die Kurzinfo am Mauszeiger zeigt die Verbindung zum 3D an (UPG+).

Die erzeugten Kreisachsen.

Eine horizontale Bemaßung wird erzeugt. Die erste Position (Punkt) ist das Ende der erkannten aktualisierbaren Halbachse. Die Kurzinfo am Mauszeiger zeigt die Verknüpfung mit dem 3D an (UPG+).

Die zweite Position (Punkt) der horizontalen Bemaßung wird erkannt.

Erstellung einer Radius-Bemaßung. Der Kreis wird detektiert und die Kurzinfo am Mauszeiger zeigt die Verbindung zum 3D an (UPG+)

Bemaßungen fertiggestellt.
Siehe wie diese Bemaßungen nach einer Änderung der 3D Kontur aktualisiert werden.
Achsen (Mittellinien) sind ebenfalls aktualisierbar, wenn das entsprechende 2D-Objekt aktualisierbar ist.
| Die Achsen von Kreisen und Kreisbögen sind aktualisierbar, wenn der entsprechende Kreis oder Bogen aktualisierbar ist. Siehe vorherigen Abschnitt – Erzeugung aktualisierbarer Kreisachen. | 
| Achsen zwischen 2 Punkten mit definiertem Überstand sind aktualisierbar, wenn beide Punkte auf einem aktualisierbaren 2D-Objekt liegen. Man kann beispielweise Mittelpunkte oder Kreis-Quadranten, usw. von Kreisen detektieren. Diese Achsen, die in einer 3D-Ansicht erzeugt werden, sind für Symmetrielinien oder Bohrungsreihen gedacht, jedoch nicht als Achsen für Rotationsflächen. | 
| Achsen für Rotationsflächen. Diese Achsen können nicht erzeugt werden, wenn die entsprechenden Linien nicht Teil einer 3D-Ansicht sind. Achsen dieses Typs sind aktualisierbar. Siehe Achsen von Rotationsflächen wie diese Art von Achsen erstellt werden. | 
| Ein Teilkreis ist aktualisierbar, wenn alle automatisch erkannten Kreise am Teilkreisdurchmesser aktualisierbar sind. Siehe Teilkreis Achsen wie diese Art von Kreisen erstellt werden. | 
Schraffuren in 3D-Ansichten werden automatisch aktualisiert, wenn ihre Umgrenzung komplett aus Schnittkonturen eines 3D-Schnittes erkannt werden. Es existiert auch eine entsprechende Option zum automatischen Erkennen in der Auswahl-Werkzeugleiste:
| Erkennung aktualisierbarer 3D-Schnitte | 
Beispiel für die Erstellung aktualisierbarer Schraffuren:

Ein 3D-Solid mit aktiviertem Schnitt. Die Vorderansicht wurde nach 2D exportiert.

Diese Option ermöglicht die Erkennung der Umgrenzung des gesamten Schnittes in einen Schritt.

Die Umgrenzungen des 3D-Schnittes wurden erkannt

Bestätigung der Schraffur-Grenzen

Die erzeugte Schraffur des 3D-Schnittes. Nach Änderungen des 3D-Modelles werden die Schraffuren automatisch neu aufgebaut.
VariCAD stellt Werkzeuge für die Überprüfung von aktualisierbaren Objekten und korrekt oder fehlerhaft aktualisierten Bemaßungen, Achsen oder Schraffuren bereit. Diese Objekte können temporär oder permanent optisch hervorgehoben werden.
Hervorheben von Objekten aus exportierten 3D-Ansichten - HOD | 
Gewählte Objekttypen können temporär oder permanent hervorgehoben werden. Diese sind:
Aktualisierte Bemaßungen mit Toleranzen oder fixen Texten können nach automatischen Änderungen geprüft werden, durch die Hervorhebung wird die Überprüfung einfacher.

Beispiel für die gewählte Hervorhebung - automatisch aktualisierbare Bemaßungen und andere Objekte.

Gewählte Objekttypen werden hervorgehoben.

Beispiel für die gewählte Hervorhebung - 2D-Linien, Kurven, Kreise oder Bögen die von einem 3D-Export erzeugt wurden.

Gewählter Objekttyp wird hervorgehoben. Mit ihnen verknüpfte Bemaßungen sind automatisch aktualisierbar.
Hervorhebung der Objekte ausschalten - OOD | 
Wenn Objekte mit dem oben beschriebenen Kommando oder automatisch als nicht aktualisierbare Bemaßungen, permanent hervorgehoben wurden, kann diese Hervorhebung ausgeschaltet werden. Ob in der gesamten Zeichnung oder nur in einem Auswahlfenster, ist wählbar.
Zoom auf hervorgehobene Bemaßungen - ZOD | 
Wenn Objekte mit dem oben beschriebenen Kommando oder automatisch als nicht aktualisierbare Bemaßungen, permanent hervorgehoben wurden, kann man auf jedes individuelle Objekt zoomen. Diese Möglichkeit ist hilfreich bei großen Zeichnungen die sehr viele Bemaßungen enthalten. Einzelne nicht aktualisierbare Bemaßungen können ausgelassen werden. Die automatische Zoom-Funktion vereinfacht die Behandlung solcher Situationen.
| Hervorhebung ausschalten. Diese Option erscheint auch beim Wählen von 2D-Objekten, wenn manche hervorgehoben sind. Ein Klick auf die Option "Hervorhebung für alle Hervorgehobenen aus" deaktiviert die Hervorhebung | 
| 3D-Verknüpfung für gewählte Objekte aufheben. Diese Option erscheint auch beim Wählen von 2D-Objekten, wenn manche nicht aktualisierbar sind. Ein Klick auf die Option "Für nicht-aktualisierbare Objekte, 3D-Verbindungen entfernen" entfernt die Verknüpfung zum 3D | 
Nicht aktualisierbare Objekte entfernen - ROD | 
Nach Änderungen im 3D und zurückschalten nach 2D können manche Bemaßungen, Achsen oder Schraffuren nicht mehr aktualisiert werden. Typischerweise, wenn 3D-Objekte entfernt oder ersetzt wurden. Ein Solid im folgenden Beispiel wurde hier bemaßt. Danach wurde die Kontur geändert und die Bemaßungen aktualisiert.

Ein geändertes Solid, das bereits bemaßt ist.

Die horizontalen Bemaßungen und die Kreisachsen wurde korrekt aktualisiert, nachdem die Bohrung verschoben wurde. Die Radienbemaßung wurde nach dem Entfernen der Verrundung automatisch hervorgehoben und nicht aktualisiert.

Entfernen nicht aktualisierbarer Objekte. Die entsprechenden Kommando-Optionen werden im Dialog angezeigt.